咨询热线:
1564998858815649988588产品简介:
15吨蒸汽锅炉指的是生产蒸汽的锅炉设备,其属于特种设备,其设计、生产、出厂、安装都须接受我国技术监督部门的监查,用户需要取得锅炉使用证才能运行锅炉。和常压锅炉不同,蒸汽锅炉出厂时须带有锅炉手续,锅炉手续包括锅炉本体图、安装图、仪表阀门图、管道图及检验合格证等。

结构:
一、立式双回程结构
立式燃油燃气蒸汽锅炉采用燃烧机下置方式,二回程结构,燃料燃烧充分,锅炉运行稳定;烟管内插有扰流片,减缓排烟速度,增加换热量,锅炉热效率高,降低用户使用成本。
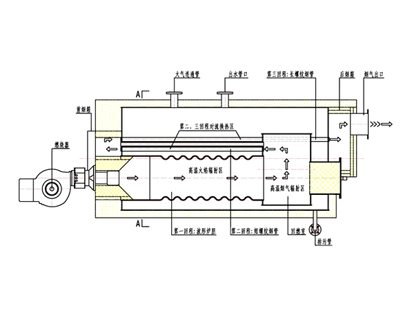
二、卧式三回程结构
卧式蒸汽锅炉为锅壳式全湿背顺流三回程烟火管结构,火焰在大燃烧室内微正压燃烧,完全伸展,燃烧热负荷低,燃烧热效率高,有效地降低了排烟温度,节能降耗,使用经济。波形炉胆和螺纹烟管结构,即提高了锅炉的吸热强度,又满足了换热面受热膨胀的需要,科学合理,经久耐用。
工作流程:
15吨蒸气锅炉的工作流程大该有以下程序,每道工序都需要细心与耐心,原料水通过进料泵进入到分离器的及蒸发器的管程中(二者是连通的),液位由液位传感器与PLC连接进行控制,工业蒸汽则进入到蒸发器的壳程中对管程中的原料水加热到蒸发温度,原料水就转变成了蒸汽。此蒸汽在低速及分离器的高度行程中通过重力作用将小液滴分离出去回到原料水中,进行重新蒸发,蒸汽就变成了纯蒸汽通过一个特殊设计的洁净丝网装置后进入到分离器的顶部,通过输出管路纯蒸汽进入到各个分配系统中及使用点。

流程介绍:
15吨蒸气锅炉的形式太多,在这里就举一个普通的快装4吨蒸气锅炉说说。水在锅筒中受热变成蒸气,火在炉膛中发出热量,就是蒸气锅炉的原理。 要说锅炉还得先说“锅”。这种锅炉是带水冷璧的锅筒式锅炉,锅筒内左右分区安排两个回程的烟火管,在锅筒前部的前烟箱折返。锅筒和下连箱之间,有下降管和水冷璧管,构成燃烧室的框架。锅筒上部有汽水分离器,以减少水蒸气带出的水。锅体受热面是锅筒的下部,水冷璧管和烟火管。燃烧部分由链条炉排和驱动装置,加上锅体架在炉排框架上构成的燃烧室组成。四周围护耐火材料。燃煤由煤斗进入,有煤闸板控制煤层厚度同时密封前部空气。燃烧室下部是鼓风进入的地方,这种锅炉阻力较大,需要强制鼓风。燃烬的煤渣,在炉排后部经“鹰嘴铁”排出,由出渣机送出炉外。烟气从锅炉后部,由锅筒的一回程烟管前行,由二回程烟管返回后部,再进入除尘器分离灰烬,然后经过引风机由烟囱排出。引风机不仅是排出烟气,也是锅炉的负压运行的。蒸气锅炉是压力容器,安全装置是必要的。锅炉必备水位计,压力表、安全阀、温度计,还有在压力下能够补水的电动上水泵,和在断电时也能使用的蒸气泵。锅炉用水须软化,还有水处理设备。
